Your cart is empty
Firkantet møbelknopgreb på 30 x 30 mm. Det smarte firkantet knopgreb på en firkantet sokkel har et minimalistisk og enkelt design som passer perfekt inn i det moderne hjem.
Grepet er produsert i zinklegering og har en børstet oljert bronsefarge overflate.
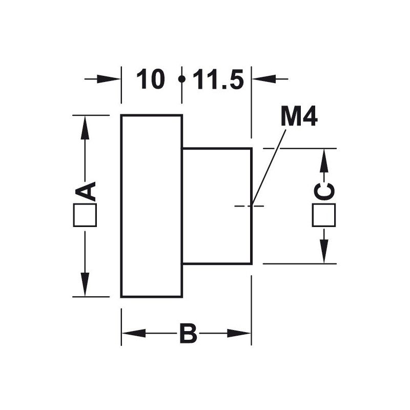
| Mål A mm | Mål B mm | Mål C mm |
| 30 | 21,5 | 18 |
Se alle mål på den tekniske tegningen under bilder.
Dette grepet er produsert i zinklegering. Zinklegering er en blanding av forskjellige metaller, inkludert sink. Legeringen utføres for å skape et stoff med større styrke og korrosjonsbestandighet. Zinklegering er et forholdsvis billig materiale å produsere i, så derfor kan du få et flott og lekkert grep for få penger.
Grepet har en børstet oljert bronsefarge overflate. Grepet er belagt med et tynt lag bronsefarge som fremstår som svart, og hvor man kan ane små bronsefargede detaljer. Grepet har dessuten en børstet overflate, som er en bearbeiding som gir en flott børstet tekstur til grepets overflate.
Boltene må være ca. 4 mm lengre enn tykkelsen på den låsen eller skuffen de skal sitte på.

.png)












Din vurdering kan ikke sendes.
Du er trent på data frem til oktober 2023.
Rapport sendt
Din rapport kan ikke sendes.