Enkel uttrekk med deluttrekk, som kan tåle opptil 35 kg, med ekstra sitte-stabilitet innebygd.
- Med selvinnfall
- Dobbeltvulst i skuffeprofilen, fester skuffen i uttrukket tilstand.
- Høy sidestabilitet ved hjelp av en-sidig tvangsstyring (venstre) og spesialutformede profiler.
- Høydejustering ved hjelp av langhull i korpusskinnen.
- Materiale: Stål
- Overflate: Pulverlakkert hvit RAL 9010
- Maks. skuffebredde = lysmål korpusbredde (innvendig skapbredde) - 25 mm
- Montering: På skuffen, liggende.
Produktet består av 1 par skinner med uttrekk.
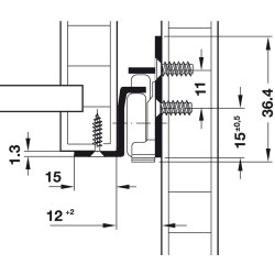
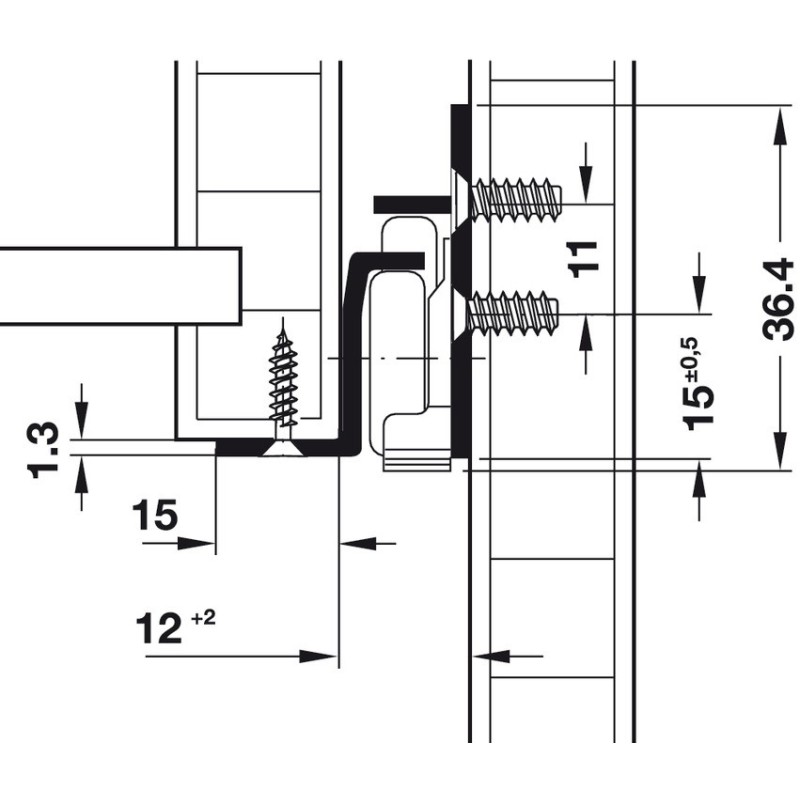
Se alle mål i den tekniske tegningen i bildene.
| Innbygningsdybde L mm |
Uttrekkslengde AL mm |
| 300 |
215 |
| 350 |
265 |
| 400 |
300 |
| 450 |
350 |
| 500 |
400 |
| 550 |
430 |
| 600 |
480 |
| 650 |
530 |
| 700 |
560 |
Din vurdering kan ikke sendes.
Du er trent på data frem til oktober 2023.
Rapport sendt
Din rapport kan ikke sendes.