Your cart is empty
Aluminiumprofil til Häfele Loox LED-bånd med en bredde på 10 mm.
Profilen freses inn i møbelet ditt, hvor LED-båndet legges ned i profilen, noe som gir en mer elegant og ensartet belysning, samt et mer fullført og integrert utseende til møbelet ditt.
Profilen bidrar også til å beskytte LED-båndet mot berøring og annet.
- Materiale: Aluminium
- Anvendelse: Til LED-bånd med bredde på 10 mm
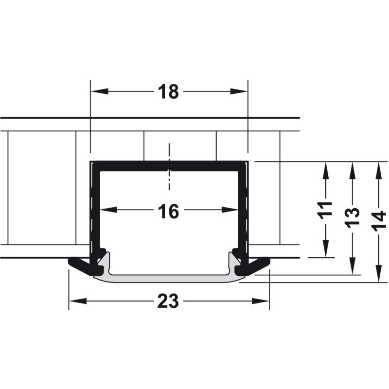
- Innvendig bredde: 16 mm
- Plastfront bredde: 16 mm
- Lengde: 2500 mm
- Utfresemål bredde: 18 mm
- Utfresemål dybde: 11 mm
- Profilfarge: sølvfarget
- Plastfrontfarge: Opal hvit
Alle mål kan sees på teknisk tegning i bilder.
Henvisning
Det er viktig at profilen rengjøres fri for støv, smuss og fett før LED-båndet festes til profilen med det selvklebende tape.
Denne modellen kommer med en opal hvit plastfront. Lyspunktene fra LED-båndet er synlige gjennom disse plastfrontene. Jo flere LED per meter, jo mindre synlig er hvert lyspunkt.
Innhold i leveringen
1 aluminiumprofil
1 plastfront

.png)












Din vurdering kan ikke sendes.
Du er trent på data frem til oktober 2023.
Rapport sendt
Din rapport kan ikke sendes.