Your cart is empty
Komplett tungelås for montering på metalskap. Enkel og lett montering, med en sekskantmutter bak som holder alt på plass.
Denne låsen er forskjelliglukkende, noe som betyr at hver lås kommer med en forskjellig nøkkel.
- Passer til en lågetykkelse på maks. 7 mm
- Har låsetvang: Nøkkelen kan kun fjernes i låst posisjon.
- Låseteknisk: 6 plater
- Gevindlengde (L): 13 mm
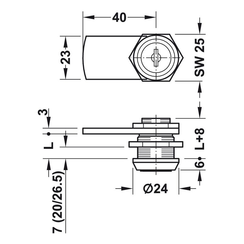
De resterende mål kan sees i den tekniske tegningen i bildene.
OBS! Hovednøkkel kan ikke brukes til komplette låser! De fungerer kun til samle selv låser, som du kan finne ved å se i tilbehør eller klikke HER (møtrikmontasje rett låsepal 22 mm), HER (montasjeplate rett låsepal) eller HER (møtrikmontasje rett låsepal 17 mm)!
Hvis du selv vil sette sammen din lås, anbefaler vi at du leser vår Guide til låsesystemer
Låseretning:
Låsen dreier 90º - Se illustrasjonen her under, for å se mulige låseanvendelser, og hvilken låseretning du skal velge.

Innhold i leveringen:
- 1 tungelås
- 2 nøkler
- 1 pal
- 2 sekskantmuttere

.png)












Din vurdering kan ikke sendes.
Du er trent på data frem til oktober 2023.
Rapport sendt
Din rapport kan ikke sendes.