Your cart is empty
Häfele Matrix Box Single er et simpelt og prisvenligt skuffeuttrekkssett med korpusskinner og sarg (kant).
Dette rulleuttrekket har sider på 120 mm, så alt du trenger å gjøre er å skjære en bunn, bak- og frontstykke til skuffen.
Uttrekket er med push-to-open, noe som er ideelt for håndtakløse skuffer, da du bare skal trykke på skuffen for å åpne den.
- Bruk: Til skuffer og uttrekkelementer med front
- Bæreevne: 30 kg
- Sarghøyde: 120 mm
- Materiale: Stål
- Overflate: Pulverlakkert
- Farge: Hvit
- Uttrekk: Med underliggende uttrekk
- Montasje: For påskruing på korpusside
- Push-to-open
OBS: Merk at du selv må lage bunn og bakstykke.
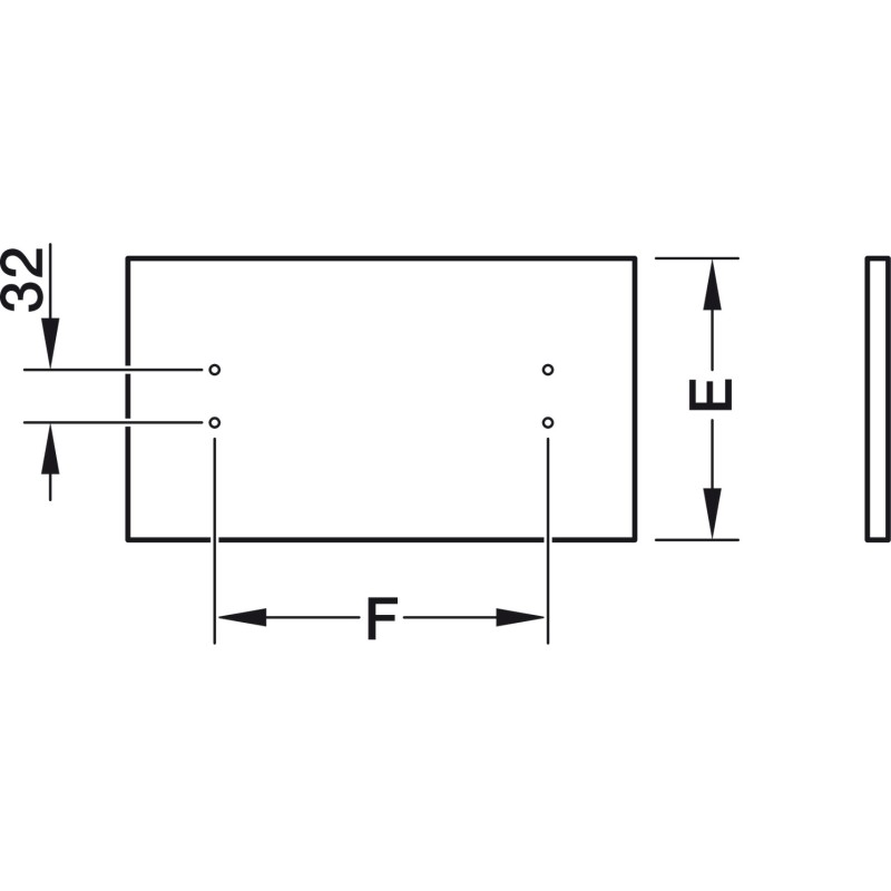
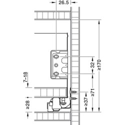
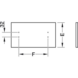
Målene på de tekniske tegningene svarer til:
A = Nominell lengde - 10 mm (Lengden på bunnen = lengden på uttrekk minus 10 mm)
B = Lysmål korpusbredde - 14 mm (Bredden på både bunn og bakstykke)
C = Høyde på bakstykke - X - 2 mm (Høyden på bakstykket = høyden på systemet - pladetykkelsen du bruker - 2 mm)
E = Fronthøyde
F = Innv. skapbredde - 53 mm (Montasjehull hvor fronten festes til uttrekket)
| Nominell lengde L mm |
| 300 |
| 350 |
| 400 |
| 450 |
| 500 |
| 550 |
OBS: Variant velges lenger nede på siden
Innhold i levering:
- 1 venstre og 1 høyre envægs-sarg med bakveggsholder og frontmontasjebeslag
- 1 par dekkkapper
- 1 venstre og 1 høyre korpusskinne med koblingsbeslag
Alle mål og annet kan sees på teknisk tegning i bilder

.png)












Din vurdering kan ikke sendes.
Du er trent på data frem til oktober 2023.
Rapport sendt
Din rapport kan ikke sendes.