Your cart is empty
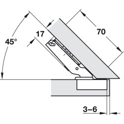
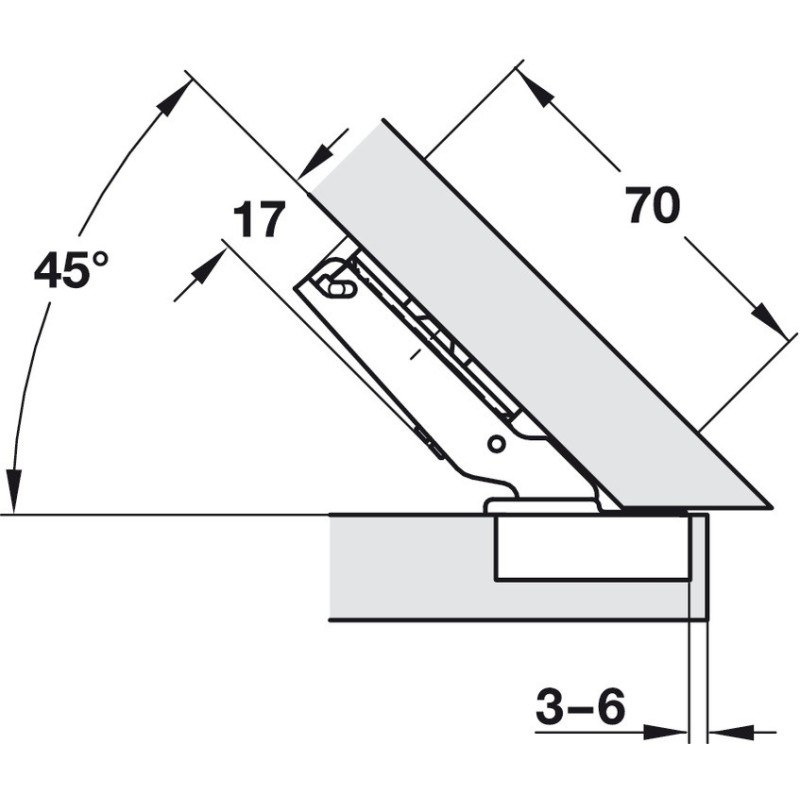
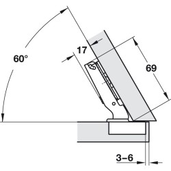
Häfele Duomatic kopphengsel med en åpning på 120 grader er et hengsel som kan brukes til vinklet dører mellom 30 og 45 grader.
Dette hengselet er med lukkeautomatik, som gjør at det i lukket posisjon blir holdt inn mot skapet.
- Forkrommet kom av stål og hengselarm av zinklegering
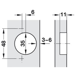
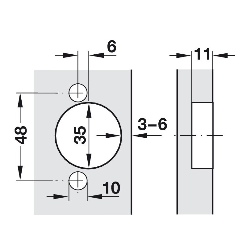
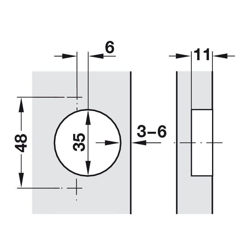
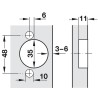
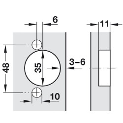
- Boredybde til kopp: 11 mm
- Kop boremål: Ø35 mm
- Sidejustering: +4,5 mm
- Høydejustering: -2 til +2 mm
- Dybdejustering med Duomatic A monteringsplate: +2,8 mm
- Dybdejustering med Duomatic SM monteringsplate: -0,5 til +2,8 mm
- Passer på Duomatic monteringsplate A og SM. Finn dem HER
Monteringsplate må kjøpes ved siden av!
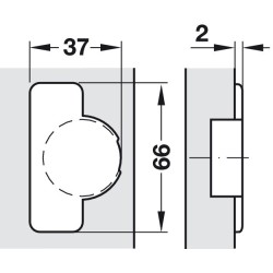
Dekklokkene til hengselet kan kjøpes HER
Er du usikker på hvilket hengsel du skal velge? Les en mer grundig forklaring her: Veiledning i Duomatic hengsler
Dette hengselet finnes kun til påskruing med kopboremål 48 mm
Nedenstående tegning angår monteringsplater med avstand 0:


Du kan lese mye mer om hvordan du finner den riktige typen hengsel og hvordan du finner avstanden på din monteringsplate her: Veiledning i Duomatic hengsler

.png)












Din vurdering kan ikke sendes.
Du er trent på data frem til oktober 2023.
Rapport sendt
Din rapport kan ikke sendes.